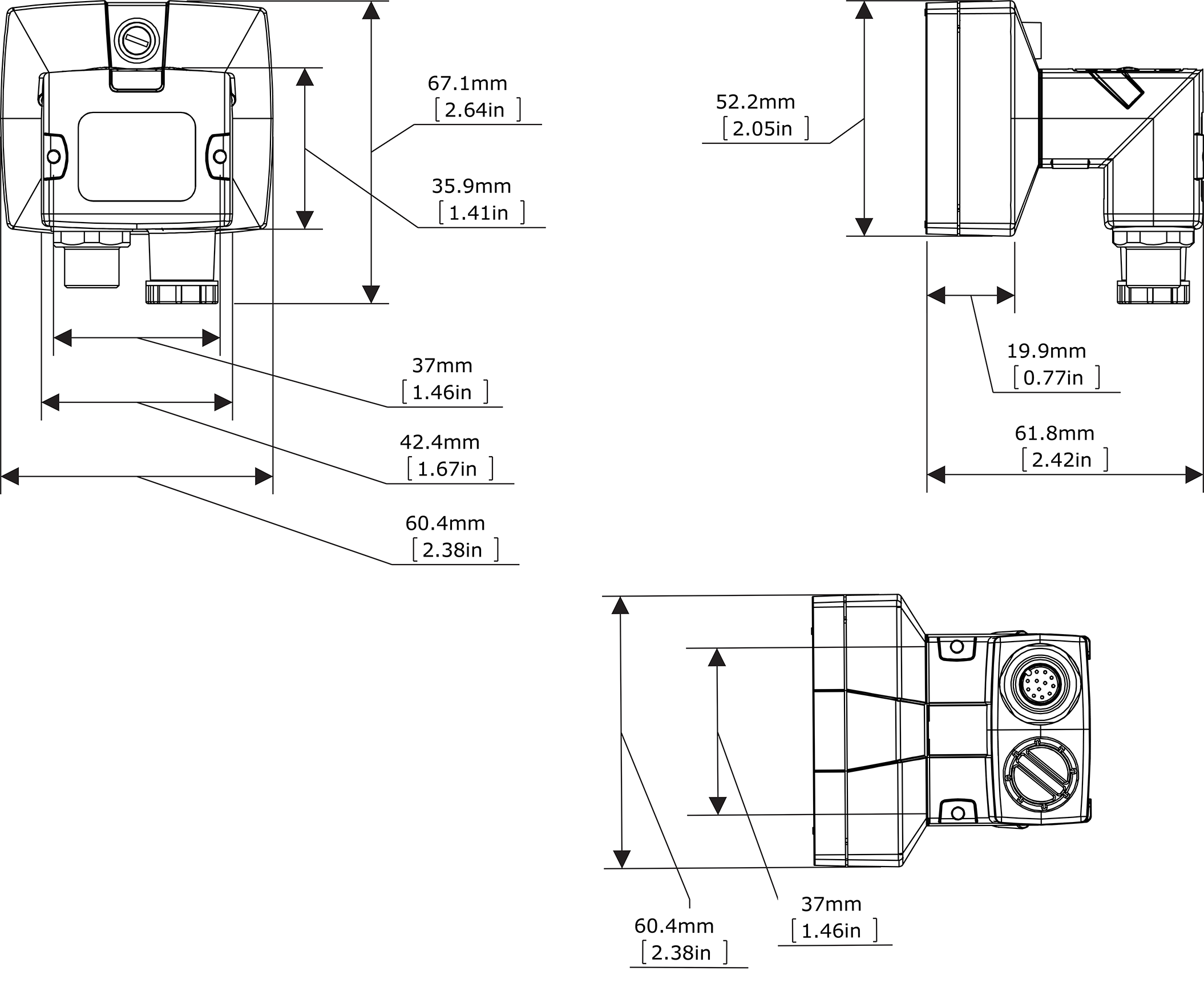
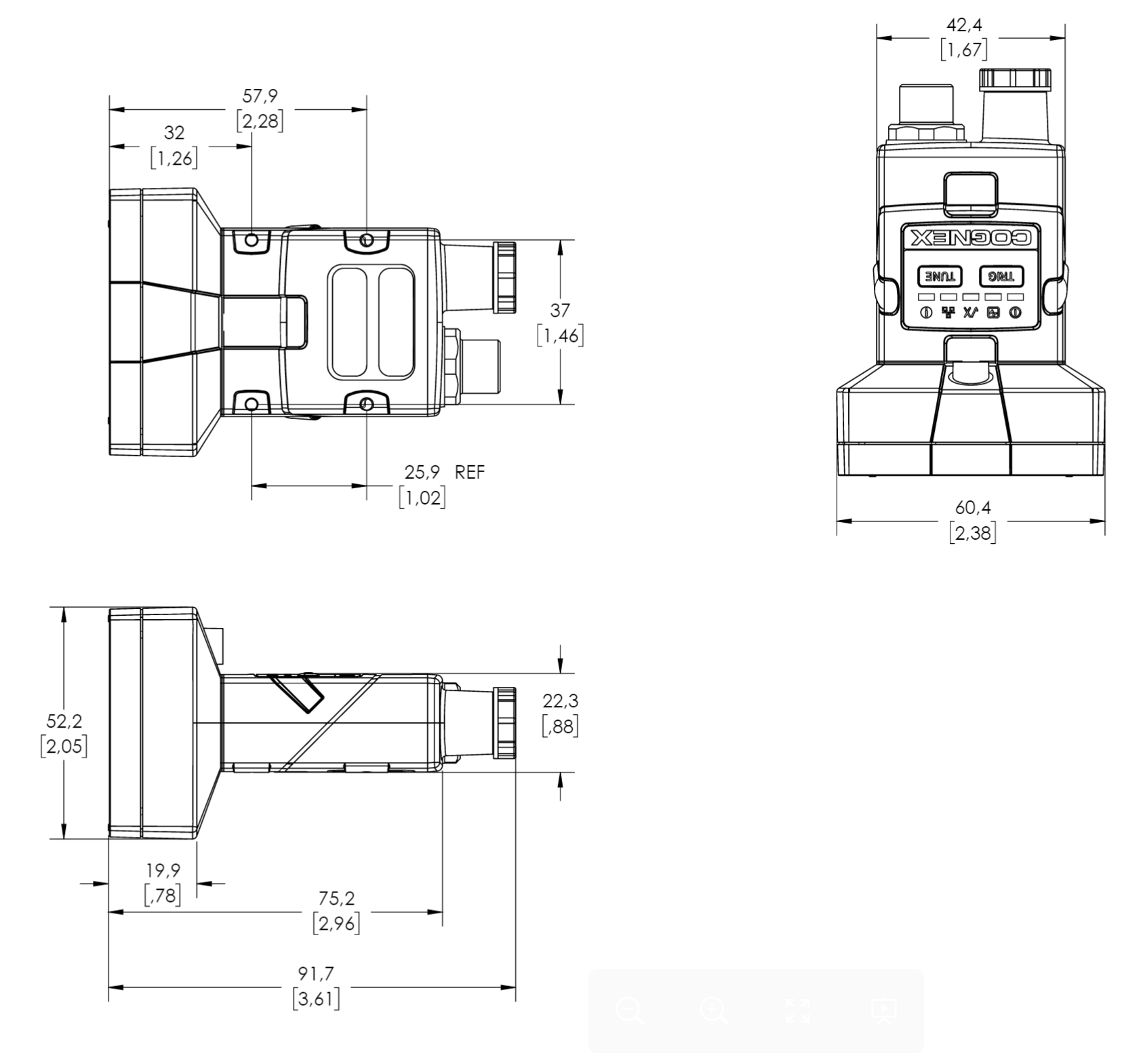
In-Sight 2000 Vision Sensor Dimensions

Note:
  • Dimensions are in millimeters [inches] and are for reference purposes only.
  • All specifications are for reference purposes only and can change without notice.

Inline Configuration:

Right-angled Configuration: