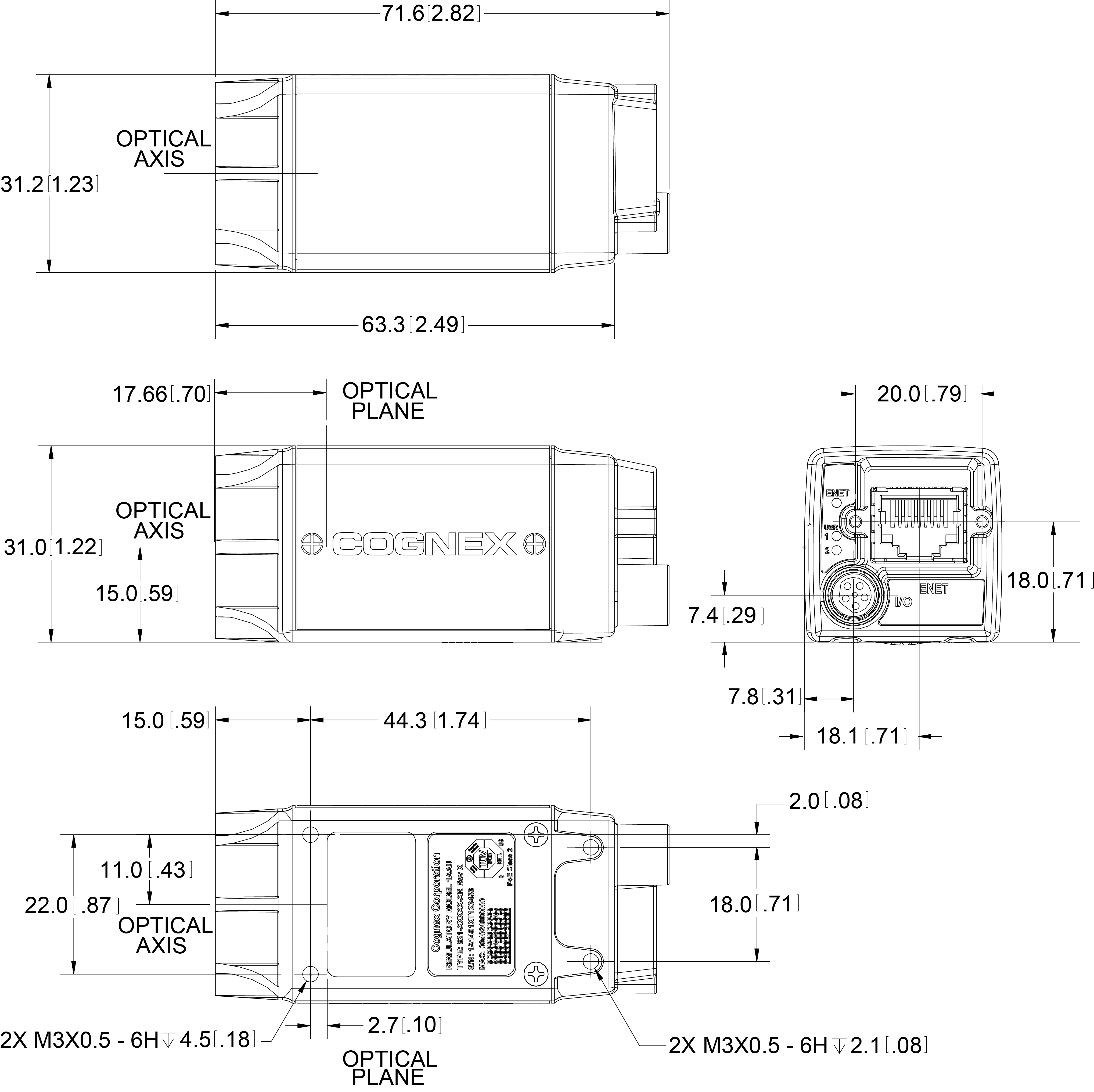
8405 Vision System
Note:
- Dimensions are in millimeters [inches] and are for reference purposes only.
- All specifications are for reference purposes only and can change without notice.