7500/7600/7800 Series & 7900/7901/7902 Vision System

Note:
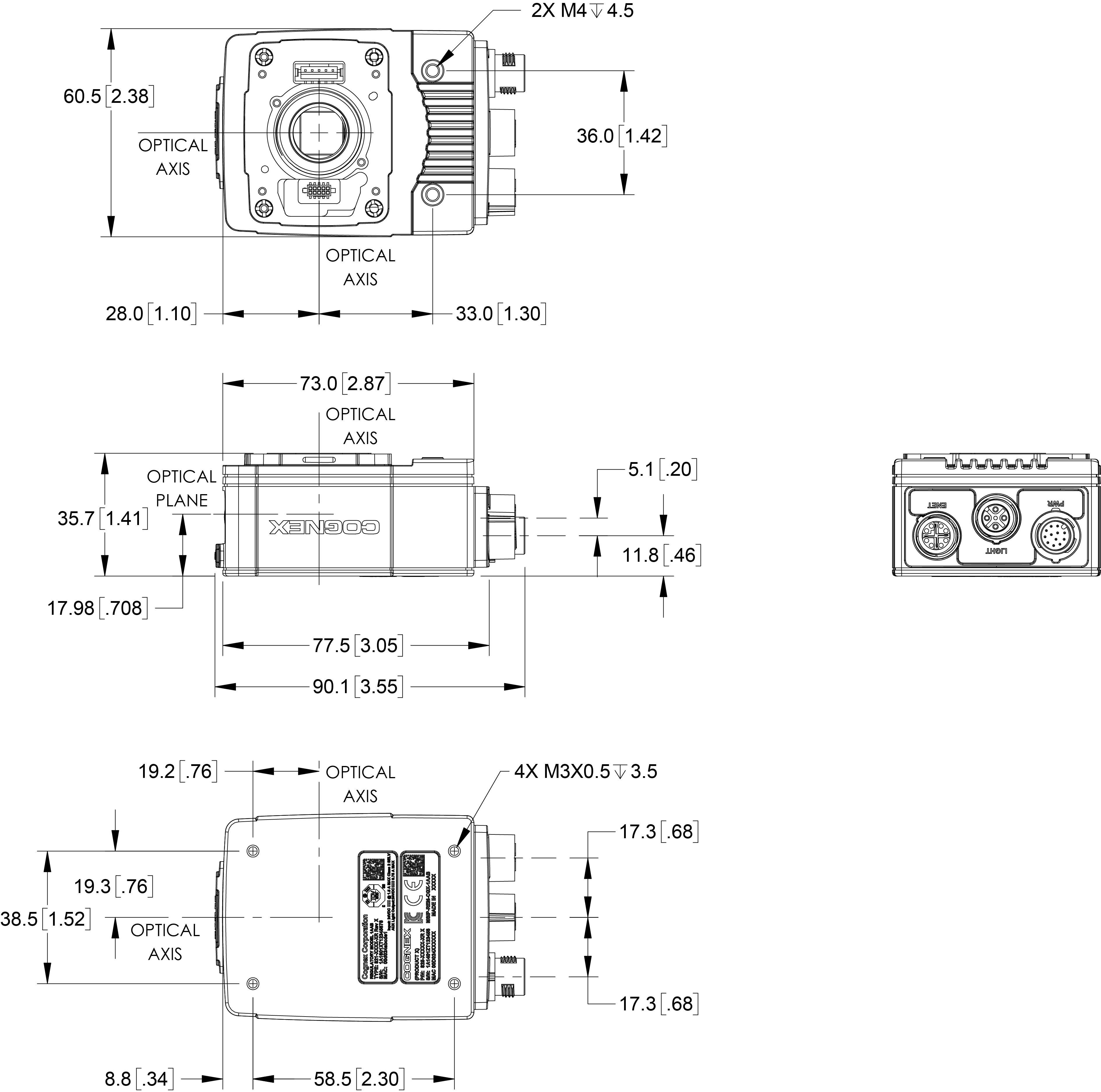
  • Dimensions are in millimeters [inches] and are for reference purposes only.
  • All specifications are for reference purposes only and can change without notice.