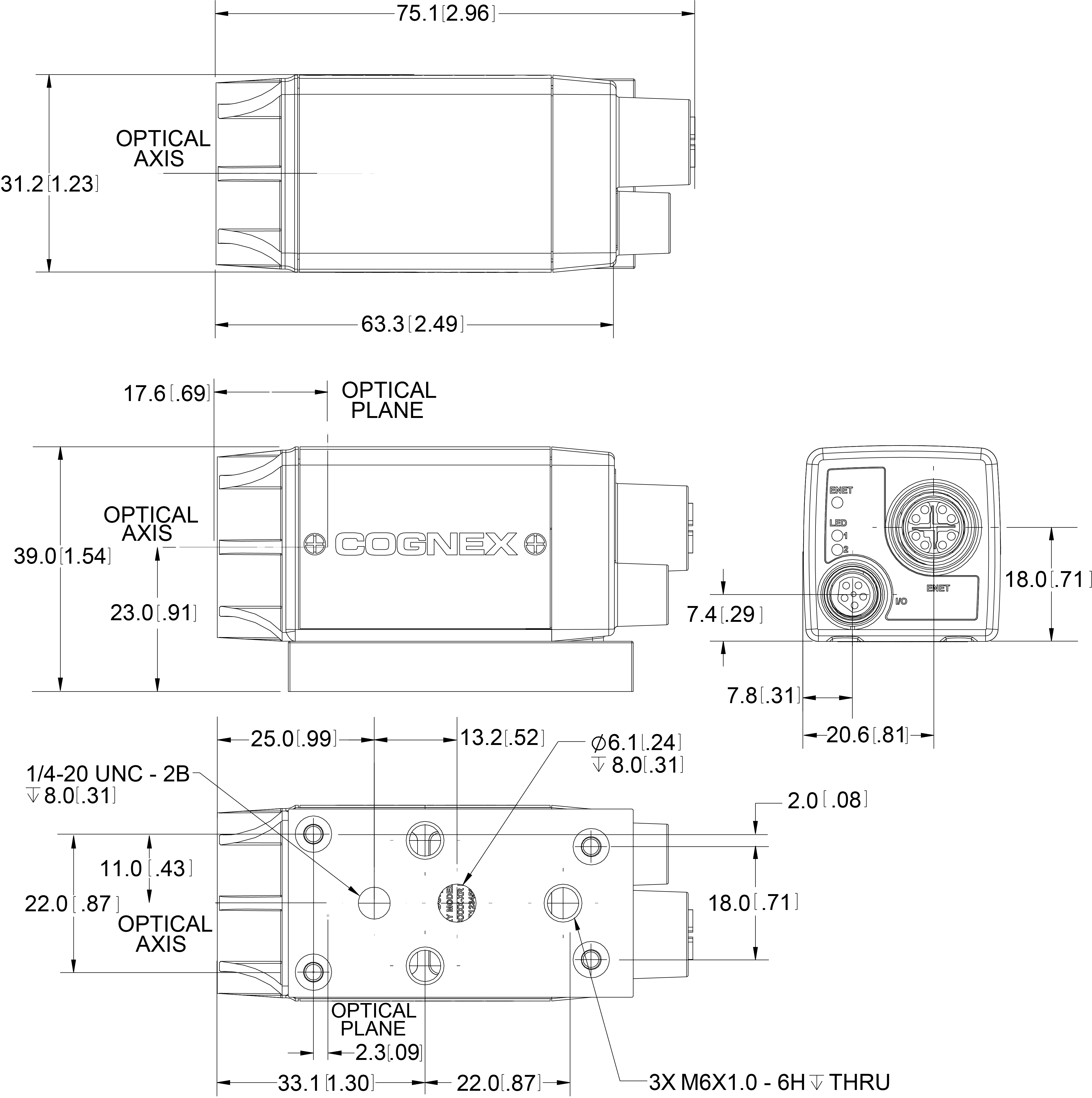
8200 and 8400 Series Vision System with Mounting Block (BKT-IS8K-01)

Note:
  • Dimensions are in millimeters [inches] and are for reference purposes only.
  • All specifications are for reference purposes only and can change without notice.