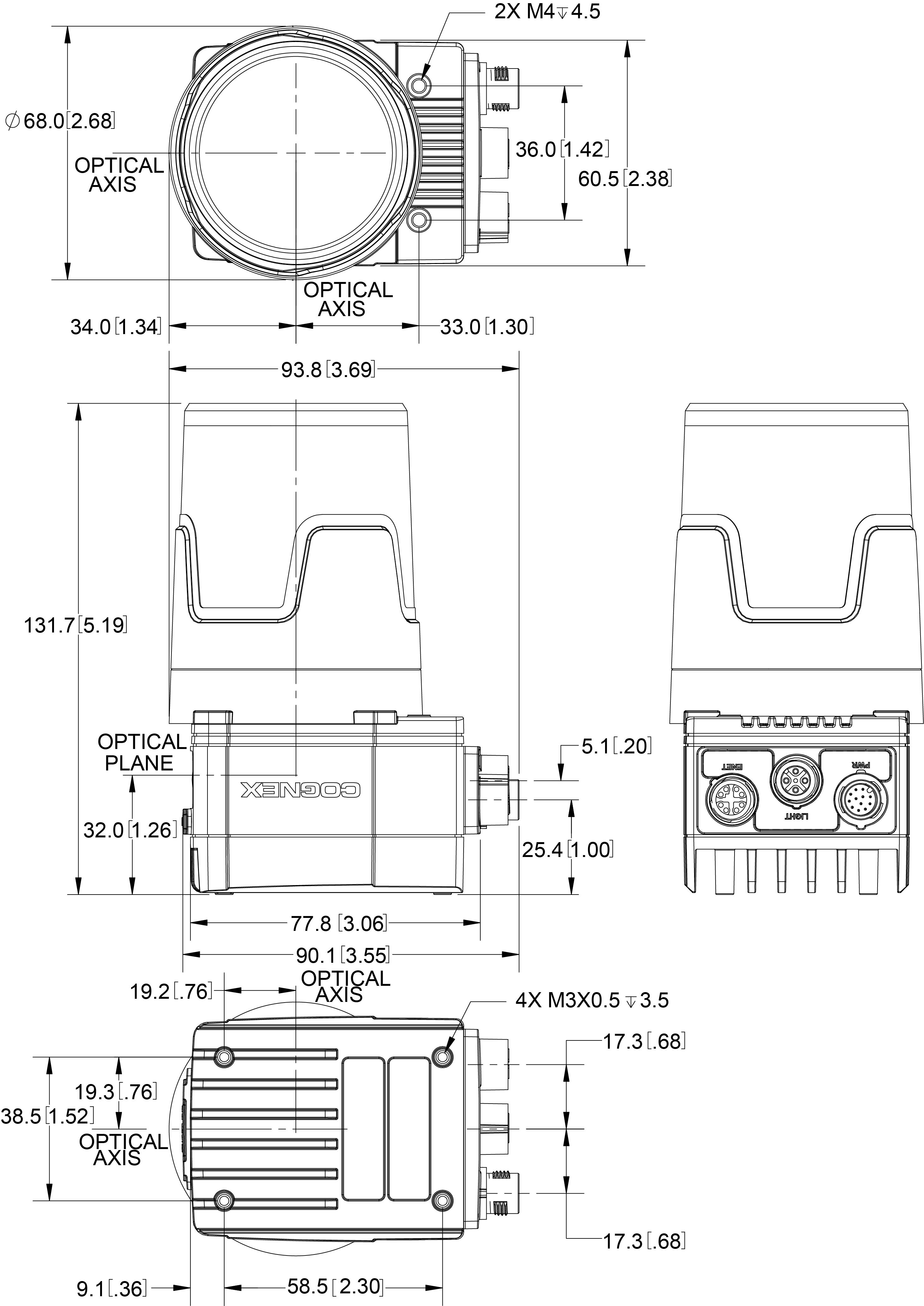
7905 Vision System with Cover (COV-7000-CMNT-LG)

Note:
  • Dimensions are in millimeters [inches] and are for reference purposes only.
  • All specifications are for reference purposes only and can change without notice.