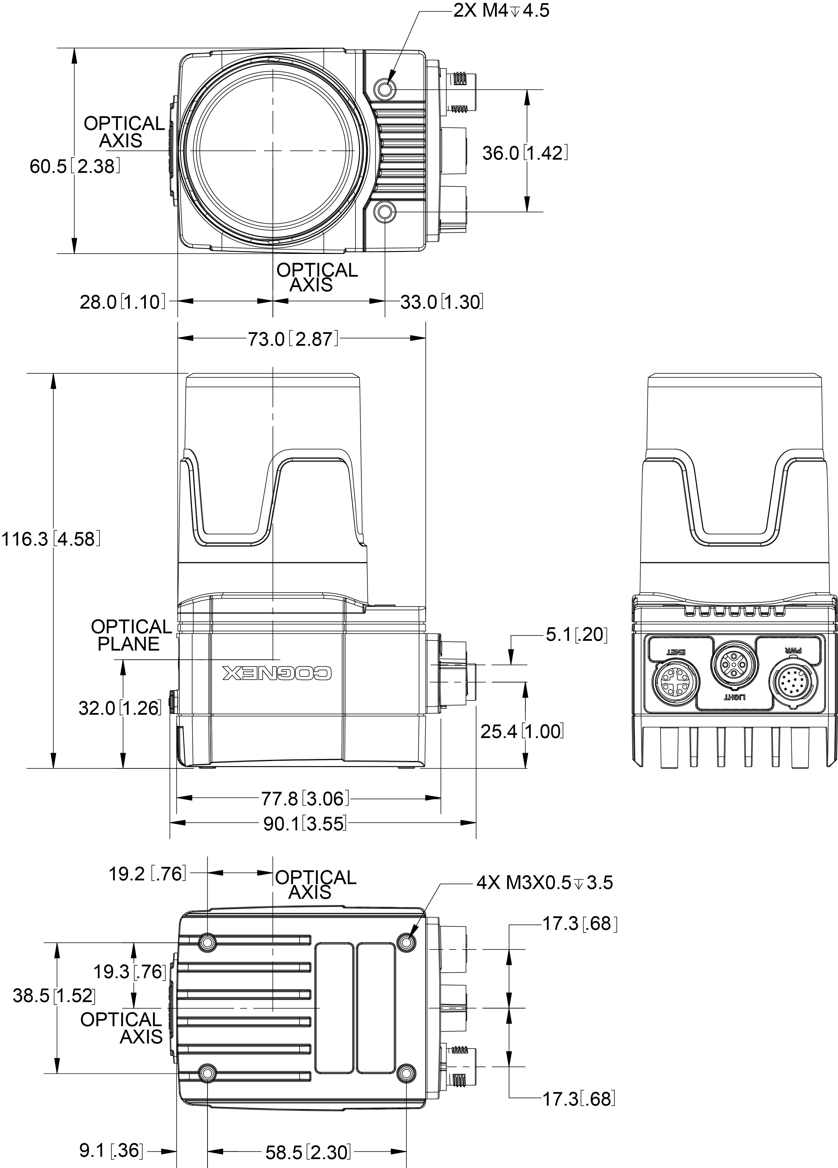
7905 Vision System with Cover (COV‑7000‑CMNT‑EX)

Note:
  • Dimensions are in millimeters [inches] and are for reference purposes only.
  • All specifications are for reference purposes only and can change without notice.