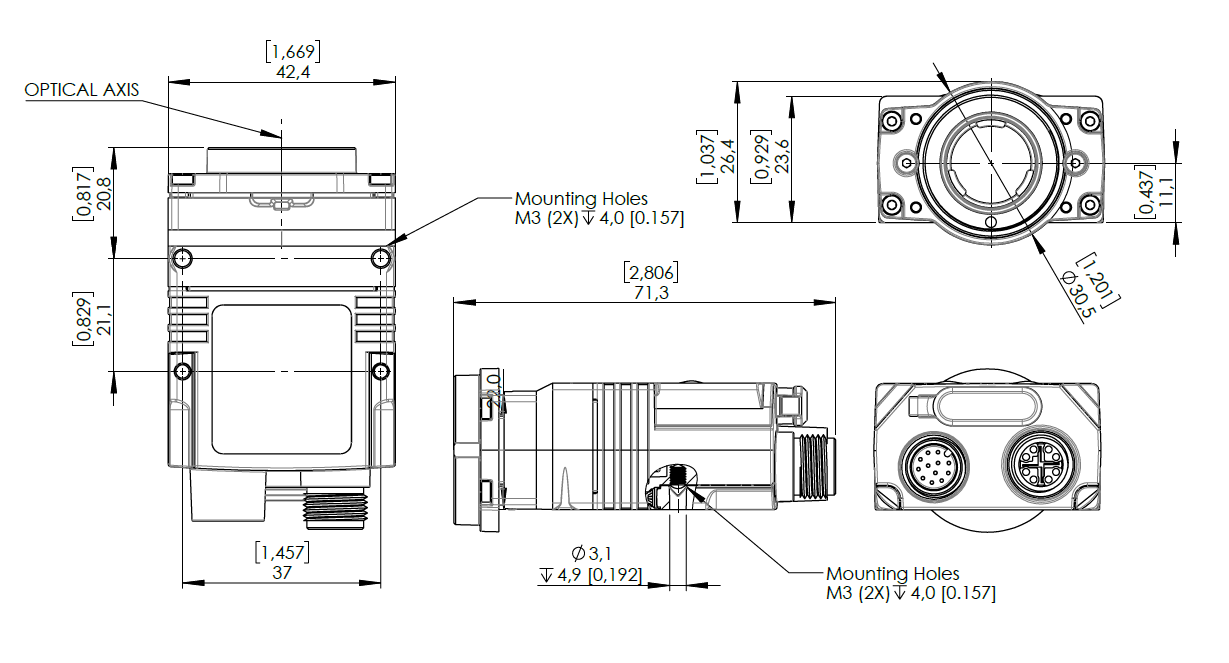
The following image shows the dimensions of In-Sight 2800 with C-mount.
Copyright © 2022-2024 | Cognex Corporation | All Rights Reserved.
In-Sight® 2800 Reference Manual | 2024 September 26 | Revision: 24.3.0.13